Mål og toleranser iht. EN 612
Rennekrok |
Lengde [mm] |
Forskjell fra standardlengde [mm] |
|
Kanalkrok 250 |
335 |
||
Takrennekrok 250 (kort) |
287 |
- |
48 |
Kanalkrok 280 |
347 |
||
Takrennekrok 280 (kort) |
297 |
- |
50 |
Kanalkrok (280 lang) |
445 |
+ |
98 |
Kanalkrok 333 |
383 |
||
Takrennekrok 333 (kort) |
312 |
- |
71 |
Kanalkrok (333 lang) |
473 |
+ |
90 |
Kanalkrok 400 |
452 |
Firkantrennekrok |
Lengde [mm] |
Firkantrennekrok 250 |
325 |
Firkantrennekrok 333 |
370 |
Firkantrennekrok 400 |
435 |
Firkantrennekrok 500 |
455 |
Kassekrok |
Lengde [mm] |
Endeplatekrok 250 |
135 |
Endeplatekrok 280 |
139 |
Endeplatekrok 333 |
154 |
Endeplatekrok for firkantrenne |
Lengde [mm] |
Endeplatekrok for firkantrenne 250 |
130 |
Endeplatekrok for firkantrenne 333 |
145 |
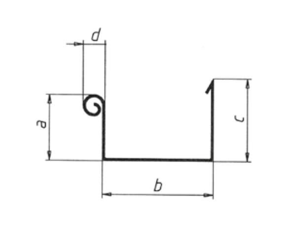
takrennemål |
Forside a |
Bakside c |
Renne e |
Vulst d |
250 (8-delt) |
61 |
72 |
110 |
19 |
280 (7-delt) |
67 |
78 |
126 |
19 |
333 (6-delt) |
87 |
98 |
153 |
19 |
400 (5-delt) |
110 |
121 |
192 |
19 |
Angivelser i mm
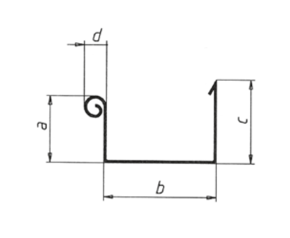
takrennemål |
Forside a |
Bakside c |
Renne e |
Vulst d |
250 (8-delt) |
54 |
63 |
86 |
19 |
333 (6-delt) |
75 |
93 |
120 |
19 |
400 (5-delt) |
92 |
113 |
150 |
19 |
500 (4-delt) |
114 |
142 |
200 |
19 |
Angivelser i mm
rennevinkel 90° (utvendig) |
Lengde [mm] |
Kanalvinkel 250 |
300 |
Kanalvinkel 280 |
300 |
Kanalvinkel 333 |
300 |
Kanalvinkel 400 |
340 |
Rennevinkel 90° (innvendig) |
Lengde [mm] |
Kanalvinkel 250 |
300 |
Kanalvinkel 280 |
300 |
Kanalvinkel 333 |
300 |
Kanalvinkel 400 |
340 |
Firkantrennevinkel 90° (utvendig) |
Lengde [mm] |
Firkantrennevinkel 250 |
300 |
Firkantrennevinkel 333 |
300 |
Firkantrennevinkel 400 |
300 |
Firkantrennevinkel 500 |
370 |
Firkantrennevinkel 90° (innvendig) |
Lengde [mm] |
Firkantrennevinkel 250 |
300 |
Firkantrennevinkel 333 |
300 |
Firkantrennevinkel 400 |
300 |
Firkantrennevinkel 500 |
350 |
Det er kun mulig å laste ned innhold fra én produktkategori. Hvis du trenger innhold fra flere kategorier, må du opprette en separat nedlasting for hvert produktområde.