Inspiration oversikt Referanser Hus-konfigurator Fotomontasje Byggetips
Produkter oversikt Tak Fasade Takdrenering Solar Flomvern Bånd og plater
Service oversikt Hus-konfigurator Fotomontasje Bestill brosjyrer Finn håndverker i nærheten Bestill et garantisertifikat Messer og utstillingslokaler Spørsmål og svar Klager og reklamasjoner For entreprenører For arkitekter
Fordeler oversikt Aluminium byggemateriale Spesialtema
Bedrift oversikt Om oss Stillinger News Presse
Kontakt oversikt Din kontaktperson hos PREFA Kontaktskjema Bestill brosjyrer
Referanser oversikt Referanseobjekter PREFARENZEN Arkitektur Renoveringsgalleri
Byggetips oversikt Takrenovering Fasadeutforming: ideer og tips Fasader i tre og aluminium Taktekking til alle takformer Solceller enkelt forklart Alu-tak med teglutseende
For entreprenører oversikt Min PREFA-innlogging Academy Monteringsinstruktører: Hjelp lokalt Monteringsveiledning og montasjeanvisninger Instruksjons- og demonstrasjonsvideoer Reklamematerialer, logoer & produktprøver Om takkonstruksjonen
For arkitekter oversikt Opplev PREFARENZEN Bestill arkitektperm Downloadcenter BIM Om takkonstruksjonen
Aluminium byggemateriale oversikt 40 års garanti Bærekraft Komplett system Stormsikker
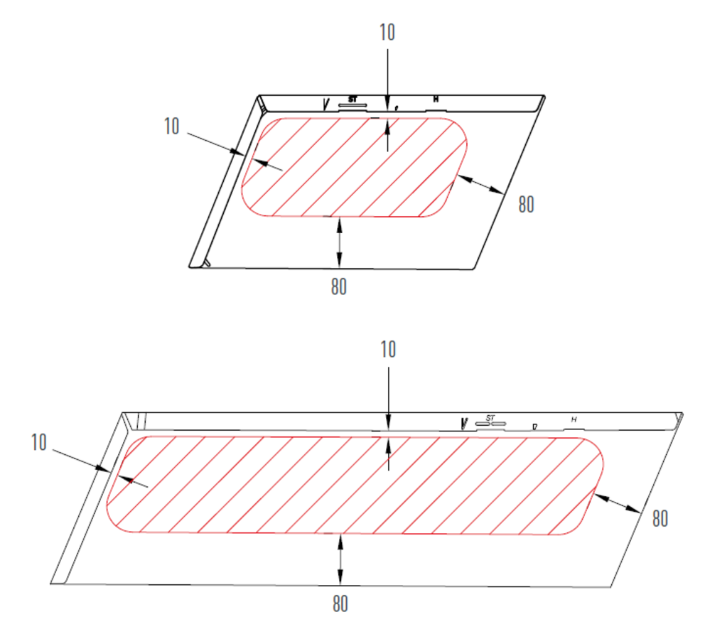
Hvis du monterer noe på fasaden (f.eks. lamper), må du ta hensyn til det tillatte monteringsområdet for veggshinglene når du monterer dem. Hvis det ikke er mulig å vedlikeholde monteringsområdet, må en bunnplate falses inn.
Det er kun mulig å laste ned innhold fra én produktkategori. Hvis du trenger innhold fra flere kategorier, må du opprette en separat nedlasting for hvert produktområde.