Merknad
Dette kapittelet gjelder ikke for Tyskland og Sveits på grunn av ulike nasjonale forskrifter. For ytterligere informasjon, kontakt produktteknikk i de respektive landene!
Feste med faste og glideklips utføres etter statisk behov. Nasjonale standarder og tekniske regler kan ha avvikende krav og må tas i betraktning. I følgende tabeller finner du spesifikasjon på minste anbefalt falsavstand [stykker/m 2] avhengig av terrengkategori, byggehøyde og grunnvindhastighet.
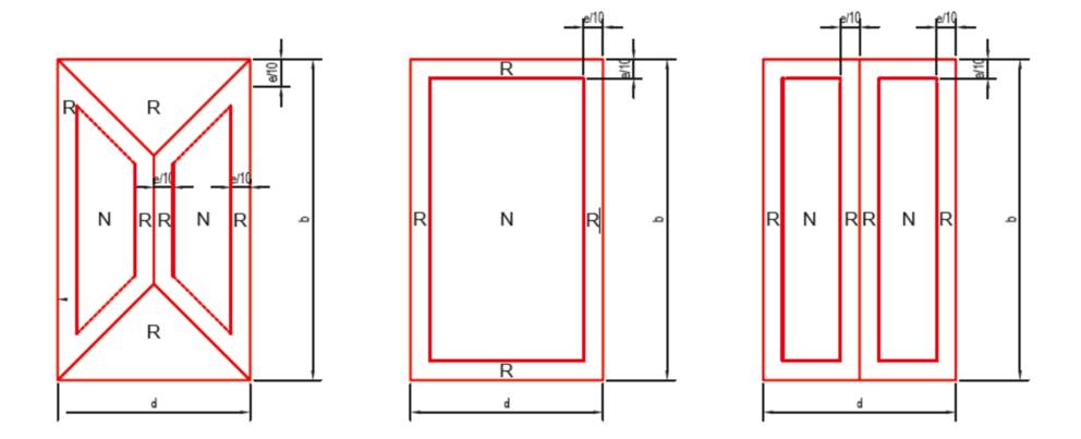
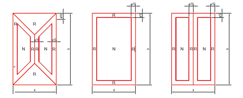
Det angitte minimumsantallet tar hensyn til en delvis sikkerhetsfaktor på 1,35 og skal forstås som teoretisk bestemte verdier. R = kantområde (ytre trykkoeffisient cpe = –2,9), N = normalområde (ytre trykkoeffisient = –1,3).
Terrengkategori II
Grunnhastighetstrykk [kN/m²] |
Grunnhastighet [m/s] |
Bygningshøyde <15 [m] |
Bygningshøyde 15-30 [m] |
Bygningshøyde 30-50 [m] |
N | R [stk./m²] |
N | R [stk./m²] |
N | R [stk./m²] |
||
≤ 0,32 |
≤ 22,5 |
3,7 | 8,2 |
4,3 | 9,7 |
4,9 | 10,9 |
≤ 0,39 |
≤ 25,0 |
4,5 | 10,0 |
5,3 | 11,8 |
6,0 | 13,3 |
≤ 0,47 |
≤ 27,5 |
5,4 | 12,0 |
6,4 | 14,2 |
7,2 | 16,1 |
≤ 0,56 |
≤ 30,0 |
6,4 | 14,3 |
7,6 | 16,9 |
8,6 | 19,1 |
Terrengkategori III
Grunnhastighetstrykk [kN/m²] |
Grunnhastighet [m/s] |
Bygningshøyde <15 [m] |
Bygningshøyde 15-30 [m] |
Bygningshøyde 30-50 [m] |
N | R [stk./m²] |
N | R [stk./m²] |
N | R [stk./m²] |
||
≤ 0,32 |
≤ 22,5 |
3,1 | 7,0 |
3,8 | 8,5 |
4,4 | 9,9 |
≤ 0,39 |
≤ 25,0 |
3,8 | 8,5 |
4,7 | 10,4 |
5,4 | 12,0 |
≤ 0,47 |
≤ 27,5 |
4,6 | 10,2 |
5,6 | 12,5 |
6,5 | 14,5 |
≤ 0,56 |
≤ 30,0 |
5,5 | 12,2 |
6,7 | 14,9 |
7,7 | 17,3 |
Terrengkategori IV
Grunnhastighetstrykk [kN/m²] |
Grunnhastighet [m/s] |
Bygningshøyde <15 [m] |
Bygningshøyde 15-30 [m] |
Bygningshøyde 30-50 [m] |
N | R [stk./m²] |
N | R [stk./m²] |
N | R [stk./m²] |
||
≤ 0,32 |
≤ 22,5 |
2,2 | 5,0 |
2,9 | 6,4 |
3,5 | 7,8 |
≤ 0,39 |
≤ 25,0 |
2,7 | 6,0 |
3,5 | 7,9 |
4,3 | 9,5 |
≤ 0,47 |
≤ 27,5 |
3,3 | 7,3 |
4,2 | 9,5 |
5,2 | 11,5 |
≤ 0,56 |
≤ 30,0 |
3,9 | 8,7 |
5,1 | 11,3 |
6,1 | 13,7 |
R = kantområde (ytre trykkoeffisient cpe = –2,9), N = normalområde (ytre trykkoeffisient = –1,3).
Terrengkategori II
Grunnhastighetstrykk [kN/m²] |
Grunnhastighet [m/s] |
Bygningshøyde <15 [m] |
Bygningshøyde 15-30 [m] |
Bygningshøyde 30-50 [m] |
N | R [stk./m²] |
N | R [stk./m²] |
N | R [stk./m²] |
||
≤ 0,32 |
≤ 22,5 |
4,2 | 9,3 |
4,9 | 10,9 |
5,5 | 12,4 |
≤ 0,39 |
≤ 25,0 |
5,1 | 11,3 |
6,0 | 13,3 |
6,8 | 15,1 |
≤ 0,47 |
≤ 27,5 |
6,1 | 13,6 |
7,2 | 16,1 |
8,1 | 18,2 |
≤ 0,56 |
≤ 30,0 |
7,3 | 16,2 |
8,6 | 19,1 |
9,7 | 21,6 |
Terrengkategori III
Grunnhastighetstrykk [kN/m²] |
Grunnhastighet [m/s] |
Bygningshøyde <15 [m] |
Bygningshøyde 15-30 [m] |
Bygningshøyde 30-50 [m] |
N | R [stk./m²] |
N | R [stk./m²] |
N | R [stk./m²] |
||
≤ 0,32 |
≤ 22,5 |
3,5 | 7,9 |
4,3 | 9,6 |
5,0 | 11,2 |
≤ 0,39 |
≤ 25,0 |
4,3 | 9,6 |
5,3 | 11,7 |
6,1 | 13,6 |
≤ 0,47 |
≤ 27,5 |
5,2 | 11,6 |
6,3 | 14,1 |
7,4 | 16,4 |
≤ 0,56 |
≤ 30,0 |
6,2 | 13,8 |
7,6 | 16,9 |
8,8 | 19,5 |
Terrengkategori IV
Grunnhastighetstrykk [kN/m²] |
Grunnhastighet [m/s] |
Bygningshøyde <15 [m] |
Bygningshøyde 15-30 [m] |
Bygningshøyde 30-50 [m] |
N | R [stk./m²] |
N | R [stk./m²] |
N | R [stk./m²] |
||
≤ 0,32 |
≤ 22,5 |
2,5 | 5,6 |
3,3 | 7,3 |
4,0 | 8,9 |
≤ 0,39 |
≤ 25,0 |
3,1 | 6,8 |
4,0 | 8,9 |
4,8 | 10,8 |
≤ 0,47 |
≤ 27,5 |
3,7 | 8,2 |
4,8 | 10,7 |
5,8 | 13,0 |
≤ 0,56 |
≤ 30,0 |
4,4 | 9,8 |
5,7 | 12,8 |
6,9 | 15,5 |
Merknad
Klammeravstanden skal ikke overstige 330 mm i festeområdet og 500 mm i glideklammerområdet, uavhengig av de beregnede verdiene. I området for enheter som er klemt fast på falsene (snøfanger, PV-underkonstruksjon, taksikring) må klammeravstanden ikke overstige 330 mm!
Beregning av klipsavstanden på grunnlag av platebredden samt påkrevd antall klips/m².
100 : (Platebredde [m] × antall klips [stk./m²]) = klipsavstand [cm] [maks. klipsavstand 50 cm, maks. fast heftavstand 33 cm]
Merk:
e=b eller 2*h (den minste verdien er avgjørende) – avstand refererer til basisarealet
ed = avstandsmål på takflate; ed= (e/10) / (cos)
b = største byggebredde
h = maksimal byggehøyde
a = takhelling
Eksempel
Lokasjon |
Innsbruck |
|---|---|
Bygning i terrengkategori |
II |
Maksimal byggehøyde |
10,5 m |
Grunnhastighet |
27,1 m/s |
Maks. Platebredde i henhold til tabell 1 |
43 cm |
Antall klips for kantområdet i henhold til tabell 2 |
12,0 stk./m² |
Antall klips for normalområdet i henhold til tabell 2 |
5,4 Stk./m² |
Kantområde (R) = 100 : (0,43 m × 12,0 stk./m²) = 19,4 cm → 19 cm klipsavstand [maks. klipsavstand 50 cm, maks. fast heftavstand 33 cm]
Normalområde (N) = 100 : (0,43 m × 5,4 stk./m²) = 43,1 cm → 43 og 33 cm klipsavstand [maks. klipsavstand 50 cm, maks. fast heftavstand 33 cm]
Det er kun mulig å laste ned innhold fra én produktkategori. Hvis du trenger innhold fra flere kategorier, må du opprette en separat nedlasting for hvert produktområde.